金年会机械,大家都在买的超值刀具
  • M8挤压丝锥

M8挤压丝锥

对加工工况不敏感;

加工质量稳定;

寿命长达60天。

全国热线

400-029-2733

产品简介 / Introduction
铝用专用丝锥

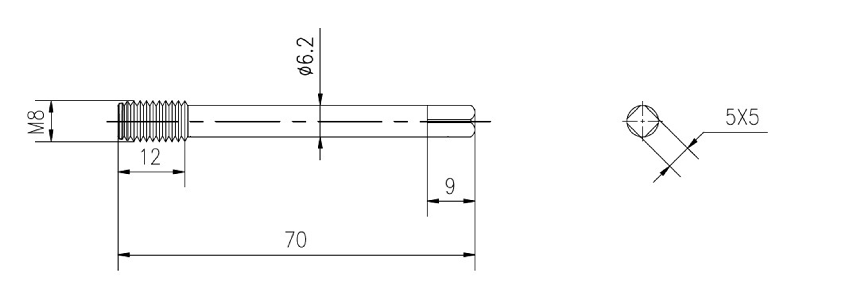
产品名称:铝用合金挤压丝锥
产品牌号:M8*1.25*70*D6.2 WJAL 

丝锥

应用领域:汽车铝压铸壳体类零件的螺孔加工。铝合金箱体类连接螺纹加工。
产品特点:寿命超长,上机连续工作两个月不换刀;产线自动化生产,质量稳定可靠。加工出螺纹光洁度好,尺寸精度合格,尤其是螺纹小径尺寸稳定可控。

案例分析 / Analysis of the
挤压丝锥

加工后  局部图展示

铝用合金挤压丝锥

现场加工使用的丝锥

加工设备:哈斯VSS 转速:2500r/min 底孔直径:φ6.9孔深:23    有效螺纹深度:21   

工件属性:浇铸铝件

加工内容:4个通孔

切削参数、设备、冷却条件相同

结果对比 

对比

金年会铝用挤压丝锥加工出的螺纹精度高,螺纹牙型标准,光洁度好。
1. 测试丝锥相较于原丝锥寿命更长,且更加适用于高速加工,甚至表现出丝锥寿命超过钻头的情况。
2. 现场选择放弃原有丝锥,使用测试丝锥进行加工。

全国服务热线

400-029-2733