金年会机械,大家都在买的超值刀具
  • D1.5*R0.2四刃圆鼻立铣刀
  • D1.5*R0.2四刃圆鼻立铣刀
  • D1.5*R0.2四刃圆鼻立铣刀
  • D1.5*R0.2四刃圆鼻立铣刀

D1.5*R0.2四刃圆鼻立铣刀

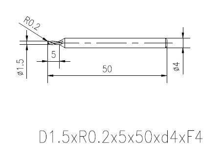
产品名称:四刃圆鼻立铣刀 

产品牌号:D1.5-R0.2-5-50-d4-F4

产品描述:结构尺寸符合国家JB/T 7966标准 

产品材质:硬质合金 

产品涂层:TiALN 

最小起订量:1支 

 适用场合:槽铣、侧铣、插铣

适用材料:钢件、铸件、不锈钢的加工

全国热线

400-029-2733

产品简介 / Introduction

产品简介:

产品名称:四刃圆鼻立铣刀

产品牌号:D1.5-R0.2-5-50-d4-F4


1.5

产品特性/product characteristics

适用于普通钢件、铸件、不锈钢(≤48HRC)的半精加工、粗加工、金属去除率高。

独特的U型槽设计,保证切刃稳定性,实现平稳切削。

较大螺旋角及合理排屑槽设计,产生细短切屑,排屑顺畅,有效散热。

精准钝化处理对抗夹砂、不崩刃、不打刀、提升寿命。


切削参数推荐:

钢件

ap=1-1.5D    

Vc=130-180m/min

ae=0.12-0.15D

vf=1000-2000mm/min (d12-d3)

铸铁

ap=1-1.5D    

Vc=140-160m/min

ae=0.12-0.15D

vf=1100-1700mm/min (d12-d3)

不锈钢

ap=1.5D    

Vc=130m/min

ae=0.15D

vf=1100-1400mm/min (d12-d3)


注意事项:

1.以上参数适合钢性较高的机床和刀柄;

2.请根据具体加工工况,适当调整转速、进给、切深、切宽。

全国服务热线

400-029-2733